
BFAD型防爆电动阀门控制器是在我公司原BFA系列控制器基础上重新开发的新一代智能型控制器,适用于易燃易爆的场合(煤矿、化工、石油、电力等行业),具有产品安全系数高,操作功能强,性能稳定等优势。该装置在控制器中采用了微处理器技术,使得电动装置控制器的控制功能、对电动装置的保护功能、对不同厂家电动装置的适应能力有了显著的提高,同时降低了对安装调试人员的技术要求。它完全满足在易燃易爆的场合下,自动控制系统对电动阀门的控制要求。
型号编制说明:




1、控制器壳体采用钢板焊接,表面高压静电喷塑,外形美观、抗爆等级高,可直接在易燃易爆环境中使用;
2、可以通过可视化防爆玻璃窗看见阀门的开度数字显示,零点满度自动设定,阀门的开度显示非常直观;
2、箱体上的阀开、阀关、外控/本机、力矩/保护均是LED显示,开、关向工作过程闪光提示;
3、具有按键音提示、开关向出力矩保护,电机过电流、电机过热、堵转等保护功能,出现故障会有声光报警(带消音功能),电源相序自动逻辑校正等功能;
4、可以根据客户要求出厂时设定电动阀门由全关位置启动开阀时超越力矩,使电动装置以最大力矩打开阀门 (此功能可解决阀门长时间不用出现粘滞等故障);可以根据客户要求出厂时设定电动阀门由非全关位置启动关阀时 超越行程,使电动装置以最大力矩关闭阀门(对于楔形、金属密封等阀门非常适用)。

1.工作电压:380V/50Hz(三相四线),220V / 50Hz(单相)需定做;
2.工作环境
? 环境温度:-20~40℃
? 相对湿度:≤80%(20±5℃时)
? 周围不得有强腐蚀性
3、选型参考:
规格型号 | 额定功率(KW) | 额定电流(A) | 重量(Kg) |
BFAD-1 | P≤0.1 | I≤1 | 3 |
BFAD-2 | 0.1<P≤1.1 | 1<I≤5 | 3 |
BFAD-3 | 1.1<P≤2.2 | 5<I≤10 | 3 |
BFAD-4 | 2.2<P≤4 | 10<I≤16 | 3 |
4、产品防爆等级:ExdeⅡBT6,防护等级IP65;

1、原则:
(1)安装人员必须有电工安全操作证,按照相关规范安装;
(2)机箱内部有高压,务必接受PE保护接地端,非展业人员请勿带电拆卸机箱;
2、调试方法:
(1)必须保证电动装置机械部分已经调试完并且能正常工作,有关电动装置机械部分的调试请见电动阀门的说明书。
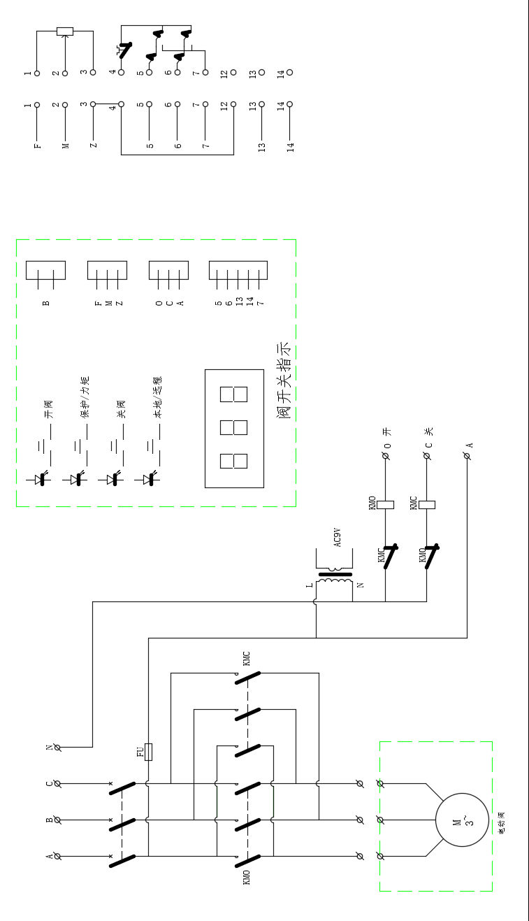
(2)用电缆参照本说明书所附电原理图将控制器端子和电动装置的端子连接起来,如果用户所订购的电动装置不带现场外制按钮,编号为12、13、14的接线端子不接即可,不会影响控制器的其他功能。
(3)把三相电源分别接到A、B、C、N端子上,编号为D1、D2、D3的接线端子接电动装置的电源。确认无误后接通电源,检查控制器是否设置在“本机”状态下,如果不是请按动转换按钮将控制器设置为“本机”状态。用手轮将电动阀门开启至约50%的开度。控制器具有电源相序自动逻辑校正功能。控制器初次通电时按动开阀按键电动装置运行有两种可能:一种可能是按正确方向运行,阀开指示灯闪亮,电动装置开向运行直至全开位置停止,阀开指示灯常亮,开度显示自动设定为100%。然后按动关阀按键,电动装置关向运行,阀关指示灯闪亮,电动装置关向运行直至全关位置停止,阀关指示灯常亮,开度显示自动设定为0%。另一种可能是按错误方向运行,虽然阀开指示灯闪亮,但是电动装置关向运行,直至全关位置停止,阀关指示灯常亮,开度显示自动设定为0%,此时控制器自动逻辑校正电源相序3秒钟后,电动装置将自动向开向运行,阀开指示灯闪亮,电动装置开向运行直至全开位置停止,阀开指示灯常亮。开度显示自动设定为100%。控制器初次通电时,按动关阀按键,电动装置运转过程同上,只是运行方向相反。至此控制器与电动装置的安装调试完毕。逻辑相序校正功能只能用在调试过程中,如果相应的阀门很重要建议人工调整相序!
(4)电动装置在开向或关向运行中,按动停按键,电动装置将停止在此时的位置,在电动装置静止状态时按动此键,则是消音。
(5)按动转换按键控制器为“外控”工作状态。控制器编号为12、13、14的接线端子接输入控制信号(无源触点)线。控制电动装置的开启和关闭,12为输入公用端,13为开阀端,14为关阀端。部分厂家的电动装置具备现场开关按钮,将其接至此端子即可实现电动装置的现场控制。同时其也可以作为计算机、PLC控制电动装置的输入信号端子(必须是无源接点28VAC/100mA)。
(6)BFAD型防爆电动阀门控制器电路原理图



| * 联系人: | 请填写您的真实姓名 |
| * 手机号码: | 请填写您的联系电话 |
| 电子邮件: | |
| * 采购意向描述: | |
| 请填写采购的产品数量和产品描述,方便我们进行统一备货。 | |
| 验证码: |
|
鼎兴产品中心roducts Center

共有-条评论【我要评论】