![]()
BFA型电动阀门控制器是与阀门电动装置配套使用的产品,用以控制电动阀门的开启和关闭。

![]()

![]()

![]()
单相阀门控制器是用来控制回转型阀门电动装置的仪器,可以通过外接电源的切换实现开、关和中间位置的控制,如下图所示,该产品广泛应用于化工、民用建筑的空调系统、消防系统及给排水系统中。


![]()
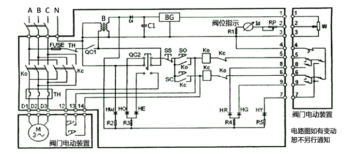
三相阀门控制器是用来控制阀门三相电动装置的一种仪器,它可以向三相阀门电动装置发出开启和关闭的指令,实现阀的远距离控制,也可以在现场手动操作。该产品广泛应用于电站、石油工、给排水、食品、轻纺、造纸、医药、水利工程、船舶、市政工程和钢铁、煤炭等单位。如下图:


![]()

| * 联系人: | 请填写您的真实姓名 |
| * 手机号码: | 请填写您的联系电话 |
| 电子邮件: | |
| * 采购意向描述: | |
| 请填写采购的产品数量和产品描述,方便我们进行统一备货。 | |
| 验证码: |
|
鼎兴产品中心roducts Center

共有-条评论【我要评论】